Công Ty LONG PHÁT chuyên cung cấp lắp đặt hệ thống nấu nước nóng công nghiệp công suất lớn 1m3 – 60m3/h tiết kiệm nhanh chóng hiệu quả cung cấp nước nóng cho sản xuất sinh hoạt pha chế công nghiệp khoáng sản thực phẩm hóa chất lắp đặt toàn quốc uy tín tin cậy :
Hãy tưởng tượng một dòng nước nóng liên tục, ổn định, đáp ứng mọi nhu cầu sử dụng từ sản xuất, kinh doanh đến sinh hoạt tập thể mà không lo gián đoạn. Đó chính là lời hứa từ máy nấu nước nóng 5m3/h – giải pháp nhiệt công nghiệp và thương mại hàng đầu. Bài viết này sẽ cung cấp một cái nhìn toàn diện về thiết bị, giúp bạn đưa ra quyết định đầu tư sáng suốt.
Máy Nấu Nước Nóng 5m3/h Là Gì?
Máy nấu nước nóng 5m3/h là một hệ thống cung cấp nước nóng cỡ lớn, có khả năng làm nóng và duy trì một lưu lượng nước lên đến 5 mét khối (5,000 lít) mỗi giờ ở nhiệt độ yêu cầu (thường từ 45°C – 90°C). Khác với các bình nước nóng dân dụng, thiết bị này được thiết kế cho nhu cầu sử dụng cao, liên tục trong các môi trường công nghiệp, kinh doanh dịch vụ hoặc các tòa nhà lớn.

Đối Tượng & Ứng Dụng Của Máy Nấu Nước Nóng 5m3/h
Thiết bị máy nấu nước nóng 5m3/h – 60m3/h này là xương sống cho hoạt động của nhiều ngành nghề:
· Công nghiệp sản xuất:
· Rửa chi tiết máy, linh kiện trong ngành cơ khí, ô tô.
· Hỗ trợ các quy trình sản xuất thực phẩm, đồ uống, dệt may, nhuộm vải.
· Vệ sinh nhà xưởng, thiết bị công nghiệp.
· Kinh doanh Dịch vụ:
· Khách sạn, Resort: Cung cấp nước nóng cho hệ thống phòng, bể bơi, spa.
· Bệnh viện, Phòng khám: Khử trùng dụng cụ, cung cấp nước tắm cho bệnh nhân.
· Nhà hàng, Bếp ăn tập thể: Rửa bát, vệ sinh bếp, chế biến thực phẩm.
· Các công trình công cộng:
· Trường học, ký túc xá.
· Phòng tắm công cộng, phòng xông hơi.

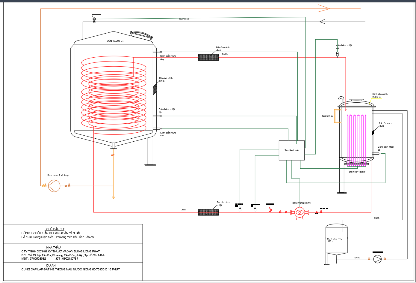
Cấu Tạo & Nguyên Lý Hoạt Động
1. Cấu tạo chính:
· Bồn chứa (Bình bảo ôn): Có dung tích lớn, được bảo ôn cách nhiệt tốt để giữ nhiệt cho nước.
· Hệ thống gia nhiệt: Lõi gia nhiệt điện (Heater), hoặc dàn trao đổi nhiệt (nếu dùng hơi/ nước nóng).
· Hệ thống điều khiển: Tủ điện, bộ điều khiển nhiệt độ, cảm biến, rơ-le bảo vệ.
· Phụ kiện an toàn: Van an toàn, van một chiều, đồng hồ áp suất, nhiệt kế.
2. Nguyên lý hoạt động:
Máy nấu nước nóng 5m3/h có nhiều loại nguyên lý hoạt động nước lạnh được cấp vào bồn chứa.Hệ thống gia nhiệt (điện trở) sẽ được kích hoạt để làm nóng nước dựa trên tín hiệu từ cảm biến nhiệt độ. Khi nước đạt đến nhiệt độ cài đặt, hệ thống ngừng gia nhiệt. Nước nóng được lưu trữ trong bồn bảo ôn và sẵn sàng cung cấp theo yêu cầu sử dụng. Quá trình này được điều khiển hoàn toàn tự động.
Lợi Ích Vượt Trội Khi Sử Dụng Máy Nấu Nước Nóng 5 Khối/ Giờ
· Hiệu Suất Cao & Tiết Kiệm Năng Lượng: Cung cấp một lượng nước nóng lớn ngay lập tức, giảm thiểu thời gian chờ đợi và tổn thất nhiệt nhờ lớp bảo ôn chất lượng.
· Ổn Định & Liên Tục: Đảm bảo nguồn nước nóng ổn định về nhiệt độ và lưu lượng, phục vụ cho các dây chuyền sản xuất và kinh doanh không bị gián đoạn.
· An Toàn Tuyệt Đối: Được trang bị đầy đủ các thiết bị bảo vệ như rơ-le chống giật, van an toàn, bảo vệ quá nhiệt, đảm bảo an toàn cho người và thiết bị.
· Độ Bền Vượt Thời Gian: Được chế tạo từ các vật liệu cao cấp như inox 304, thép carbon phủ sơn epoxy chống ăn mòn, tuổi thọ hoạt động rất cao.
· Vận Hành Tự Động & Dễ Dàng: Người vận hành chỉ cần cài đặt nhiệt độ mong muốn, hệ thống sẽ tự động vận hành và bảo vệ.

Tiêu Chí Lựa Chọn Máy Nấu Nước Nóng 5m3/h Chất Lượng
Để chọn mua một sản phẩm tốt, cần lưu ý:
1. Chất Liệu Bồn Chứa: Inox 304 là lựa chọn tối ưu cho nước sạch, chống ăn mòn. Với môi trường khắc nghiệt, có thể cần thép tráng men hoặc composite.
2. Công Suất Gia Nhiệt (kW): Công suất càng cao, thời gian làm nóng nước càng nhanh. Cần tính toán công suất phù hợp với nhu cầu và nguồn điện hiện có.
3. Lớp Cách Nhiệt: Polyurethane (PU) với độ dày từ 50mm trở lên sẽ giúp giữ nhiệt hiệu quả, tiết kiệm năng lượng tái gia nhiệt.
4. Hãng Sản Xuất & Chế Độ Bảo Hành: Ưu tiên các thương hiệu uy tín, có nhà máy sản xuất rõ ràng và chế độ bảo hành từ 12 tháng trở lên.
5. Đơn Vị Cung Cấp: Chọn nhà cung cấp có kinh nghiệm, tư vấn chuyên nghiệp và dịch vụ hậu mãi tốt.
Bảng So Sánh Máy Nấu Nước Nóng 5m3/h với Các Giải Pháp Khác
Tính Năng Máy Nấu Nước Nóng 5m3/h (Điện) Bình Nước Nóng Công Suất Nhỏ Máy Năng Lượng Mặt Trời
Lưu lượng Rất lớn (5,000 lít/h) Nhỏ, trung bình Phụ thuộc vào thời tiết
Tính ổn định Cao, không phụ thuộc thời tiết Cao Thấp khi trời mưa, mây
Chi phí đầu tư Trung bình Thấp Cao
Chi phí vận hành Trung bình (phụ thuộc giá điện) Cao (nếu dùng nhiều) Rất thấp
Ứng dụng Công nghiệp, Thương mại lớn Hộ gia đình, văn phòng nhỏ Hộ gia đình, khu vực nắng tốt
Câu Hỏi Thường Gặp (FAQ)
Q1: Máy nấu nước nóng 5m3/h có tiêu thụ nhiều điện không?
A:Mức tiêu thụ phụ thuộc vào công suất, nhiệt độ cài đặt và tần suất sử dụng. Tuy nhiên, nhờ lớp bảo ôn tốt, máy chỉ cần gia nhiệt một lần và duy trì nhiệt độ, giúp tiết kiệm hơn so với việc đun nóng liên tục bằng các thiết bị nhỏ lẻ.
Q2: Thời gian làm nóng 5m3 nước từ 25°C lên 60°C là bao lâu?
A:Công thức tính gần đúng: Thời gian (giờ) = (Lưu lượng x Nhiệt dung riêng x Độ chênh nhiệt) / Công suất máy. Ví dụ với máy công suất 36kW: (5000 lít x 1.163 x (60-25)) / 36000 ≈ 5.65 giờ. Thực tế, thời gian có thể ngắn hơn do máy thường hoạt động ở chế độ duy trì.
Q3: Có cần lắp đặt hệ thống đường ống phức tạp không?
A:Có. Đây là hệ thống công suất lớn, cần được thiết kế và lắp đặt bởi kỹ thuật viên chuyên nghiệp để đảm bảo hiệu quả và an toàn tối ưu.
—
Kết Luận
Máy nấu nước nóng 5m3/h không chỉ đơn thuần là một thiết bị gia nhiệt, mà là một giải pháp tổng thể cho bài toán năng lượng và hiệu quả kinh tế trong sản xuất và kinh doanh. Với khả năng cung cấp nước nóng ổn định, bền bỉ và an toàn, đây chắc chắn là sự lựa chọn đáng đầu tư cho mọi doanh nghiệp muốn nâng cao năng lực vận hành và tối ưu hóa chi phí.
Liên hệ ngay với chúng tôi để được tư vấn MIỄN PHÍ và nhận báo giá cạnh tranh nhất cho máy nấu nước nóng 5m3/h phù hợp với nhu cầu cụ thể của bạn!
Hotline :0962180787 hoặc 0988848356 để nhận báo giá tốt nhất

THÔNG TIN LIÊN HỆ
CÔNG TY CƠ KHÍ KĨ THUẬT & XÂY DỰNG LONG PHÁT