Van bướm inox vi sinh: Giải pháp tối ưu cho hệ thống ống sạch Trong các ngành công nghiệp yêu cầu khắt khe về độ vô trùng như dược phẩm, thực phẩm, đồ uống và mỹ phẩm, việc lựa...
MÁY LÀM LẠNH NƯỚC CHILLER 10M3/H– Giải Pháp Làm LẠnh Công Nghiệp công ty Long Phát TỐI ƯU | Hướng Dẫn Toàn Diện Từ A-Z Khám phá ngay máy làm lạnh nước Chiller – trái tim hệ thống làm lạnh...
Trong các nhà máy thực phẩm, dược phẩm, mỹ phẩm hay bán dẫn hiện nay, việc đảm bảo các đường ống dẫn sạch, không bị nhiễm khuẩn và bền vững theo thời gian là điều kiện bắt buộc. Hàn ống vi...
Hệ Thống Sản Xuất Sữa Tươi: Quy Trình Công Nghệ Hiện Đại & Tiêu Chuẩn Chất Lượng Hệ Thống Sản Xuất Sữa Tươi Là Gì? Hệ thống sản xuất sữa tươi là một dây chuyền công nghệ khép kín và...
Bạn đang tìm giải pháp lắp đặt đường ống hơi nóng cho hệ thống sản xuất, công nghiệp hay thương mại? Việc thi công đường ống hơi Đòi thủ tiêu chuẩn kỹ thuật béo quy, đặc biệt là tiêu chuẩn áp suất về đường...
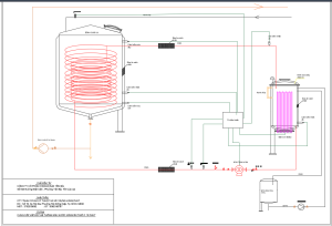
Công Ty LONG PHÁT chuyên cung cấp lắp đặt hệ thống nấu nước nóng công nghiệp công suất lớn 1m3 – 60m3/h tiết kiệm nhanh chóng hiệu quả cung cấp nước nóng cho sản xuất sinh hoạt pha chế công...
Dưới đây là quy trình chi tiết để nấu nước nóng từ 30°C lên 70°C bằng hệ thống điện trở đun gián tiếp thông qua dầu truyền nhiệt. Lưu ý quan trọng: Đây là một hệ thống cần có kiến...
Bồn khuấy là gì? Ứng dụng, phân loại và lưu ý khi chọn mua Trong các ngành công nghiệp hiện đại, việc khuấy trộn nguyên liệu là công đoạn quan trọng giúp đảm bảo chất lượng sản phẩm. Bồn khuấy...
Máy hàn ống vi sinh orbital là gì? Nguyên lý hoạt động và ứng dụng thực tế Đăng vào 03/07/2025 bởi admin Trong các ngành công nghiệp yêu cầu tiêu chuẩn vệ sinh và độ chính xác cao như dược phẩm, thực phẩm,...
Tên tài khoản hoặc địa chỉ email *
Mật khẩu *
Ghi nhớ mật khẩu Đăng nhập
Quên mật khẩu?